作为一名硬件工程师,自然经常与各种芯片打交道,可能有的同学对芯片的内部并不是很了解,不少同学在应用新的芯片时直接翻到Datasheet的应用页面,按照推荐设计搭建外围完事。如此一来即使应用没有问题,却也忽略了更多的技术细节,对于自身的技术成长并没有积累到更好的经验。作为曾经短暂搞过IC设计也算流过片的一名硬件工程师,今天以一颗DC/DC降压电源芯片为例,尽量详细讲解下一颗芯片的内部设计原理和结构,IC行业的同学随便看看就好,欢迎指教! 这是一颗电机驱动芯片的内部版图(类比如PCB的LayOut)颜色是根据不同材质结构染的色。  可以看到芯片的内部结构也和PCB设计一样,模块结构布局清晰明了,接下来我们看看芯片的内部线路图是如何设计的,和板级的线路设计有何异同。以TI 的一颗常用芯片LM2675为例,打开DataSheet,首先看框图:

这个图包含了电源芯片的内部全部单元模块,BUCK结构我们已经很理解了,这个芯片的主要功能是实现对MOS管的驱动,并通过FB脚检测输出状态来形成环路控制PWM驱动功率MOS管,实现稳压或者恒流输出。这是一个非同步模式电源,即续流器件为外部二极管,而不是内部MOS管。 一、基准电压 类似于板级电路设计的基准电源,芯片内部基准电压为芯片其他电路提供稳定的参考电压。这个基准电压要求高精度、稳定性好、温漂小。芯片内部的参考电压又被称为带隙基准电压,因为这个电压值和硅的带隙电压相近,因此被称为带隙基准。这个值为1.2V左右,如下图的一种结构:

这里要回到课本讲公式,PN结的电流和电压公式: 
可以看出是指数关系,Is是反向饱和漏电流(即PN结因为少子漂移造成的漏电流)。这个电流和PN结的面积成正比!即Is->S。 如此就可以推导出Vbe=VT*ln(Ic/Is) ! 回到上图,由运放分析VX=VY,那么就是I1*R1+Vbe1=Vbe2,这样可得:I1=△Vbe/R1,而且因为M3和M4的栅极电压相同,因此电流I1=I2,所以推导出公式:I1=I2=VT*ln(N/R1) N是Q1 Q2的PN结面积之比! 这样我们最后得到基准Vref=I2*R2+Vbe2,关键点:I1是正温度系数的,而Vbe是负温度系数的,再通过N值调节一下,可是实现很好的温度补偿!得到稳定的基准电压。N一般业界按照8设计,要想实现零温度系 数,根据公式推算出Vref=Vbe2+17.2*VT,所以大概在1.2V左右的,目前在低压领域可以实现小于1V的基准,而且除了温度系数还有电源纹波抑制PSRR等问题,限于水平没法深入了。最后的简图就是这样,运放的设计当然也非常讲究: 
如图温度特性仿真: 
二、振荡器OSC和PWM 我们知道开关电源的基本原理是利用PWM方波来驱动功率MOS管,那么自然需要产生振荡的模块,原理很简单,就是利用电容的充放电形成锯齿波和比较器来生成占空比可调的方波。 
最后详细的电路设计图是这样的: 
这里有个技术难点是在电流模式下的斜坡补偿,针对的是占空比大于50%时为了稳定斜坡,额外增加了补偿斜坡,我也是粗浅了解,有兴趣同学可详细学习。 三、误差放大器 误差放大器的作用是为了保证输出恒流或者恒压,对反馈电压进行采样处理。从而来调节驱动MOS管的PWM,如简图:

四、驱动电路 最后的驱动部分结构很简单,就是很大面积的MOS管,电流能力强。

五、其他模块电路 这里的其他模块电路是为了保证芯片能够正常和可靠的工作,虽然不是原理的核心,却实实在在的在芯片的设计中占据重要位置。 具体说来有几种功能: 1、启动模块 启动模块的作用自然是来启动芯片工作的,因为上电瞬间有可能所有晶体管电流为0并维持不变,这样没法工作。启动电路的作用就是相当于“点个火”,然后再关闭。如图: 上电瞬间,S3自然是打开的,然后S2打开可以打开M4 Q1等,就打开了M1 M2,右边恒流源电路正常工作,S1也打开了,就把S2给关闭了,完成启动。如果没有S1 S2 S3,瞬间所有晶体管电流为0。  2、过压保护模块OVP 很好理解,输入电压太高时,通过开关管来关断输出,避免损坏,通过比较器可以设置一个保护点。

3、过温保护模块OTP 温度保护是为了防止芯片异常高温损坏,原理比较简单,利用晶体管的温度特性然后通过比较器设置保护点来关断输出。

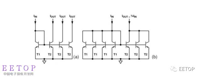
4、过流保护模块OCP 在譬如输出短路的情况下,通过检测输出电流来反馈控制输出管的状态,可以关断或者限流。如图的电流采样,利用晶体管的电流和面积成正比来采样,一般采样管Q2的面积会是输出管面积的千分之一,然后通过电压比较器来控制MOS管的驱动。 
还有一些其他辅助模块设计。 六、恒流源和电流镜 在IC内部,如何来设置每一个晶体管的工作状态,就是通过偏置电流,恒流源电路可以说是所有电路的基石,带隙基准也是因此产生的,然后通过电流镜来为每一个功能模块提供电流,电流镜就是通过晶体管的面积来设置需要的电流大小,类似镜像。


七、小结 以上大概就是一颗DC/DC电源芯片的内部全部结构,也算是把以前的皮毛知识复习了一下。当然,这只是原理上的基本架构,具体设计时还要考虑非常多的参数特性,需要作大量的分析和仿真,而且必须要对半导体工艺参数有很深的理解,因为制造工艺决定了晶体管的很多参数和性能,一不小心出来的芯片就有缺陷甚至根本没法应用。整个芯片设计也是一个比较复杂的系统工程,要求很好的理论知识和实践经验。最后,学而时习之,不亦说乎! |